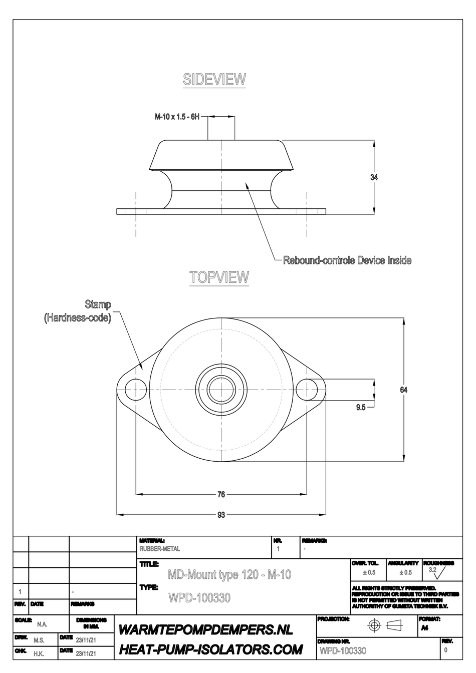
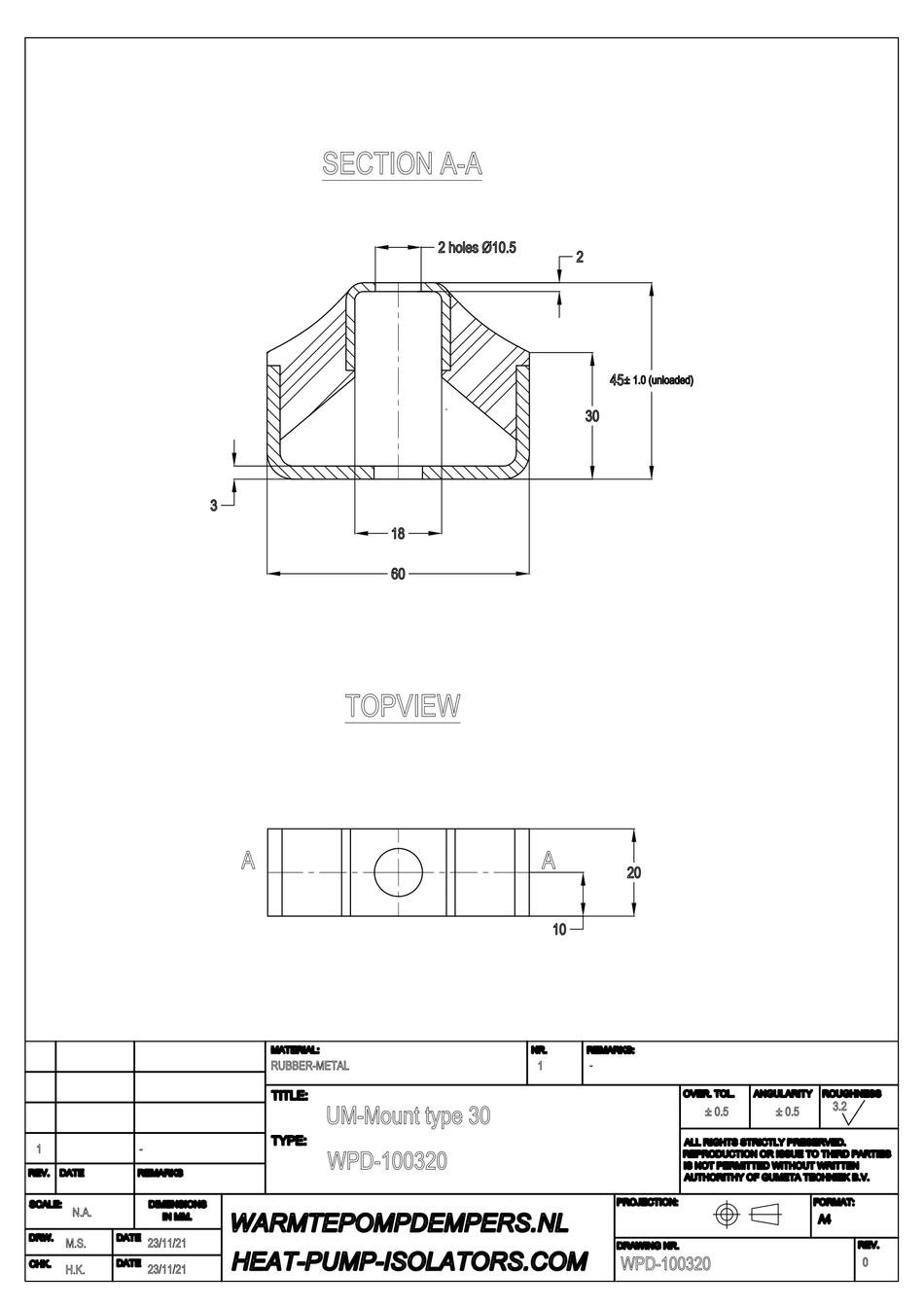
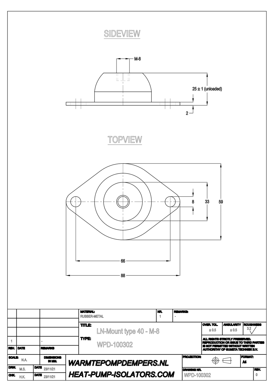
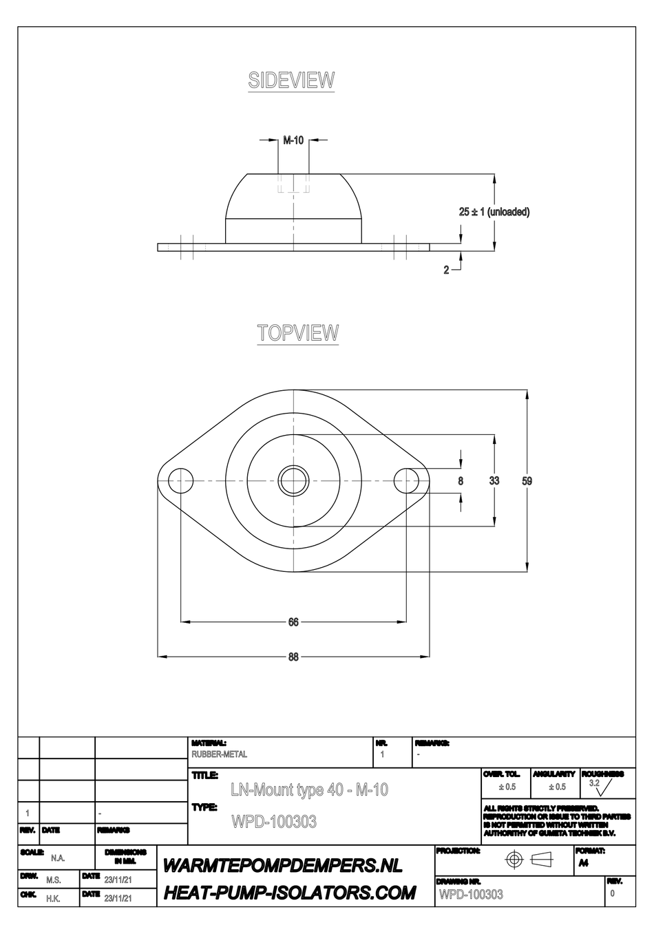
14 Products
Heat pump weight up to 50 kg
Which vibration isolator or vibration damper do I need?
We can imagine that it is not easy to make a choice. To help you on your way, you will find a number of categories below, in which a selection of vibration isolators and vibration dampers is shown based on weight.
Note: The stated permissible load is per vibration isolator! It is therefore important to check the weight load per element.
We like to help you.
Are you unsure or unsure whether you have selected the right product? Then please contact us. You can send an e-mail to info@ Warmtepompdampers.nl. Indicate the type of heat pump and state the weight. We will help you on your way as best we can. You can also choose to contact us by telephone, we can be reached at +31-(0)30-2761420.
